Linear Unit MTV 110

The MTV series describes linear units with precision ball screw drive, integrated guide rail and compact dimensions. The units use a precision ball screw, with tolerance class ISO7 (ISO5 on request), with reduced backlash of the ball nut. A corrosion-resistant protection strip, protects all the parts in the profile from dust and other contaminants.

To achieve higher speeds at the same stroke of the linear unit, the ball screw support system can be integrated. With this feature vibrations and deflections of the ball screw are reduced, therefore longer strokes are possible. The linear unit with integrated support system can have a higher axial load capacity. Ball screw supports are made of high quality plastic materials with high wear resistance properties. The system enables ball screw support in horizontal or vertical positioning of the linear unit.

A 2LR version of MTV linear unit is available, where two carriages are moving simultaneously in opposite directions. Both right- and left-handed precision ball screws are used, which are rigidly connected. The ball screw support system can also be integrated.

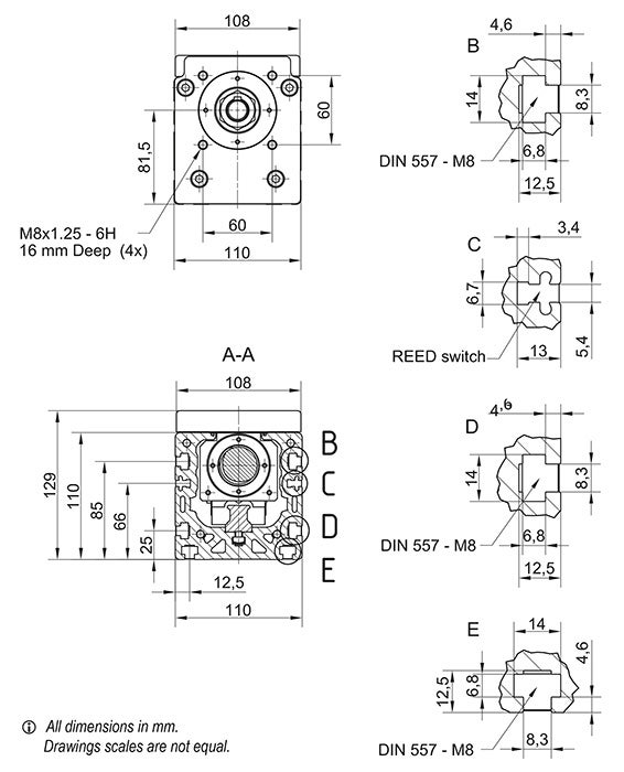
Dimensions in mm.
Read more

Product Information

Modulus of Elasticity: E = 70000 N / mm2
Operating Temperature (°C): 0 ~ +60 For operating temperature out of the presented range, please contact Rollco.
Duty Cycle: 100%
Max. Acceleration (m/s²): 20
Designation Select all CAD Compare Get quote Lead Time * Carriage Length Lv (mm) Dynamic Load Capacity C (N) Static Load Capacity C0 (N) Dynamic Moment Mx (Nm) Dynamic Moment My (Nm) Dynamic Moment Mz (Nm) Max. Permissible Loads Forces Fpy (N) Max. Permissible Loads Forces Fpz (N) Max. Permissible Loads Moments Mpy (Nm) Max. Permissible Loads Moments Mpz (Nm) Max. Length Lmax (mm) Max. Stroke (mm) Min. Stroke (mm)
Request quote 2 330 49600 85000 630 2650 2650 10000 20260 670 535 5850 5456 65
Request quote 2 330 49600 85000 630 2650 2650 10000 20260 670 535 5850 5456 65
Request quote 2 330 49600 85000 630 2650 2650 10000 20260 670 535 5850 5456 65
Request quote 2 330 49600 85000 630 2650 2650 10000 20260 670 535 5850 5456 70

*Green: Normally in stock, contact us for current status. Blue: Contact us for delivery time.

Designation Select all CAD Compare Get quote Max. Rotational Speed (without SA) (rev/min) Max. Travel Speed (without SA) (m/s) Lead Constant (mm/rev) Ball Screw (d x l) Max. Repeatability Precision Standard ISO7 Max. Repeatability Precision ISO5 Dynamic Load Capacity BS Ca (N) Max. Axial Load Fx (N) Max. Drive Torque Ma (Nm) Planar Moment of Inertia ly (cm⁴) Planar Moment of Inertia lz (cm⁴)
Request quote 2150 0.18 5 32 × 5 ±0.02 ±0.01 18850 18850 16.7 562 669
Request quote 3000 0.50 10 32 × 10 ±0.02 ±0.01 33400 29600 52.3 562 669
Request quote 3000 1.00 20 32 × 20 ±0.02 ±0.01 29700 14800 52.3 562 669
Request quote 3000 1.60 32 32 × 32 ±0.02 ±0.01 35150 9240 52.3 562 669
Designation Select all CAD Compare Get quote Ball Screw (d x l) Number of SA ⁿSA Mass of Linear Unit (kg) Moved Mass (kg) Mass Moment of Inertia (10⁻⁵ kg m²) No Load Torque (Nm) Planar Moment of Inertia ly (cm⁴) Planar Moment of Inertia lz (cm⁴)
Request quote 32 × 5 0 ; 2 ; (4 ; 6 ; 8 ; 10) 17.3 + 0.0216 × (Abs. Stroke + (nc - 1) × A) + 4.9 × (nc - 1) ; 17.7 + 0.0216 × (Abs. Stroke + (nc - 1) × A) + 4.9 × (nc - 1) ; 19.3 + 0.8 × (nSA - 4) + 0.0216 × (Abs. Stroke + (nc - 1) × A) + 4.9 × (nc - 1) 4.90 + 4.90 × (nc - 1) ; 5.03 + 4.90 × (nc - 1) ; 5.29 + 0.065 × (nSA - 4) + 4.90 × (nc - 1) 34.6 + 0.0690 × (Abs. Stroke + (nc - 1) × A) + 0.31 × (nc - 1) ; 35.1 + 0.0690 × (Abs. Stroke + (nc - 1) × A) + 0.31 × (nc - 1) ; 39.4 + 2.2 × (nSA - 4) + 0.0690 × (Abs. Stroke + (nc - 1) × A) + 0.31 × (nc - 1) 0.60 + 0.60 × (nc - 1) ; 0.67 + 0.60 × (nc - 1) ; 0.81 + 0.035 × (nSA - 4) + 0.60 × (nc - 1) 562 669
Request quote 32 × 10 0 ; 2 ; (4 ; 6 ; 8 ; 10) 17.3 + 0.0216 × (Abs. Stroke + (nc - 1) × A) + 4.9 × (nc - 1) ; 17.7 + 0.0216 × (Abs. Stroke + (nc - 1) × A) + 4.9 × (nc - 1) ; 19.3 + 0.8 × (nSA - 4) + 0.0216 × (Abs. Stroke + (nc - 1) × A) + 4.9 × (nc - 1) 4.90 + 4.90 × (nc - 1) ; 5.03 + 4.90 × (nc - 1) ; 5.29 + 0.065 × (nSA - 4) + 4.90 × (nc - 1) 35.5 + 0.0690 × (Abs. Stroke + (nc - 1) × A) + 1.24 × (nc - 1) ; 36.1 + 0.0690 × (Abs. Stroke + (nc - 1) × A) + 1.24 × (nc - 1) ; 40.4 + 2.2 × (nSA - 4) + 0.0690 × (Abs. Stroke + (nc - 1) × A) + 1.24 × (nc - 1) 0.70 + 0.70 × (nc - 1) ; 0.84 + 0.70 × (nc - 1) ; 1.12 + 0.070 × (nSA - 4) + 0.70 × (nc - 1) 562 669
Request quote 32 × 20 0 ; 2 ; (4 ; 6 ; 8 ; 10) 17.3 + 0.0216 × (Abs. Stroke + (nc - 1) × A) + 4.9 × (nc - 1) ; 17.7 + 0.0216 × (Abs. Stroke + (nc - 1) × A) + 4.9 × (nc - 1) ; 19.3 + 0.8 × (nSA - 4) + 0.0216 × (Abs. Stroke + (nc - 1) × A) + 4.9 × (nc - 1) 4.90 + 4.90 × (nc - 1) ; 5.03 + 4.90 × (nc - 1) ; 5.29 + 0.065 × (nSA - 4) + 4.90 × (nc - 1) 39.3 + 0.0690 × (Abs. Stroke + (nc - 1) × A) + 4.96 × (nc - 1) ; 39.9 + 0.0690 × (Abs. Stroke + (nc - 1) × A) + 4.96 × (nc - 1) ; 44.4 + 2.2 × (nSA - 4) + 0.0690 × (Abs. Stroke + (nc - 1) × A) + 4.96 × (nc - 1) 0.75 + 0.75 × (nc - 1) ; 1.03 + 0.75 × (nc - 1) ; 1.60 + 0.140 × (nSA - 4) + 0.75 × (nc - 1) 562 669
Request quote 32 × 32 0 ; 2 ; (4 ; 6 ; 8 ; 10) 17.3 + 0.0216 × (Abs. Stroke + (nc - 1) × A) + 4.9 × (nc - 1) ; 17.7 + 0.0216 × (Abs. Stroke + (nc - 1) × A) + 4.9 × (nc - 1) ; 19.3 + 0.8 × (nSA - 4) + 0.0216 × (Abs. Stroke + (nc - 1) × A) + 4.9 × (nc - 1) 4.90 + 4.90 × (nc - 1) ; 5.03 + 4.90 × (nc - 1) ; 5.29 + 0.065 × (nSA - 4) + 4.90 × (nc - 1) 47.0 + 0.0690 × (Abs. Stroke + (nc - 1) × A) + 12.71 × (nc - 1) ; 47.8 + 0.0690 × (Abs. Stroke + (nc - 1) × A) + 12.71 × (nc - 1) ; 52.8 + 2.3 × (nSA - 4) + 0.0690 × (Abs. Stroke + (nc - 1) × A) + 12.71 × (nc - 1) 0.80 + 0.80 (nc - 1) ; 1.25 + 0.80 × (nc - 1) ; 2.16 + 0.225 × (nSA - 4) + 0.80 × (nc - 1) 562 669